芯城品牌采购网 > 品牌资讯 > DDR

DDR4内存“第二春”,三星海力士为何改变主意?-芯城品牌采购网

全球内存短缺叠加价格飙升,让原本计划退场的DDR4内存迎来“第二春”。三星电子与SK海力士正式宣布,撤回今年年底停产DDR4内存的计划,将生产持续至2026年;其中SK海力士更因客户订单暴增,决定提高中国无锡工厂的DDR4产能,抢占高利润市场。据悉,两家巨头原本规划在2024年底至2026年初逐步停止DDR4出货,但近期市场格局突变促使其调整策略。当前全球DDR4供应缺口持续扩大,价格已逆势反超D

芯城品牌采购网

4316

2025年12月18日,SK海力士SKhynix,以下简称“公司”)宣布,其基于第五代10纳米级(1b)32Gb单片的256GBDDR5RDIMM*高容量服务器DRAM模块,已成功应用于英特尔®至强®6(Intel®Xeon®6)平台,并首次通过英特尔®数据中心认证(Intel®DataCenterCertified),标志着该产品在性能、兼容性与可靠性方面获得业界权威认可。*寄存双列直插式内存

芯城品牌采购网

13583

存储芯片年底走势分化:DDR4为何还在猛涨?-芯城品牌采购网

12月10日集邦科技(TrendForce)发布最新报告显示,临近年底,不同类型DRAM产品走势出现分歧:DDR5与DDR3在前期大幅上涨后迎来小幅回调,而DDR4尤其是16Gb产品涨势依旧强劲;与此同时,NANDFlash现货市场在供应端支撑下持续刷新历史高点,行业成本传导逻辑全面兑现。DRAM市场的分化走势尤为值得关注。DDR5与DDR3本周的温和回落,核心源于部分现货交易商的年底获利了结操作

芯城品牌采购网

13190

DDR4/DDR5短缺将持续至2027年!-芯城品牌采购网

内存市场的“涨价潮”已演变为持久战。12月7日消息,据科技媒体Wccftech报道,当前DDR4DDR5内存价格已完全失控,且这一短缺与涨价状况,至少将持续至2027年第四季度,未来两年难有好转迹象。这场市场风暴的背后,是存储巨头的战略转向。此前存储大厂美光已宣布终止Crucial英睿达消费级业务,明年3月起停售旗下品牌内存和SSD。核心原因在于数据中心需求急剧上升,全面冲击消费级市场,推动内存

芯城品牌采购网

13271

40Gbps狂飙!三星GDDR7显存获“总统级表彰”-芯城品牌采购网

显存技术领域再迎颠覆性突破!12月5日消息,据《韩国时报》报道,三星在首尔举行的2025年度韩国科技节上,重磅展示了速率高达40Gbps的GDDR7显存。这款单颗容量为3GB(24Gb)的新品,凭借顶尖性能斩获“总统级表彰”,成为本次科技节的焦点之一。这款获奖显存的核心竞争力源于底层技术革新。它采用三星12nmDRAM制程工艺(性能相当于10nm级别),更搭载了三电平PAM3信号编码技术——区别于

芯城品牌采购网

7149

突发!长鑫存储DDR4产能砍半-芯城品牌采购网

全球内存市场格局生变!12月4日,据台湾《数码时报》援引业内消息,长鑫存储正将DDR4DRAM产能直接腰斩,同时全面聚焦DDR5与LPDDR5高端内存标准。在全球内存供应短缺的当下,这一果断调整被解读为其向三星、SK海力士等国际巨头发起冲击的关键信号。产能调整已落地执行。此前长鑫存储计划将DDR4月产能维持在2万片晶圆至2026年底,最新规划显示该数字已降至约1万片。这一动作并非盲目收缩,而是精准

芯城品牌采购网

16546

DDR5量产加速?三星近亿订单买测试设备-芯城品牌采购网

11月26日,据韩媒TheElec报道,韩国半导体设备商DI正式宣布,已与三星电子中国苏州工厂达成一份价值191亿韩元(约合9189万元人民币)的设备采购合同,核心为供应DDR5内存专用老化测试设备,这一合作将直接加速三星DDR5内存的产能释放。此次交易的推进效率备受关注。根据合同条款,DI公司预计将在12月内全额收回款项,这一明确的付款节点不仅体现了三星对设备需求的迫切性,也彰显了双方对合作的高

芯城品牌采购网

6740

半导体龙头发力,兆易创新LPDDR4X将量产-芯城品牌采购网

国内Fabless半导体龙头兆易创新(GigaDevice)在2025年第三季度业绩说明会上释放重磅信号:自研LPDDR4X内存产品将于明年实现量产,同时已启动小容量LPDDR5X的研发规划,存储业务布局再提速。不过公司明确表示,目前暂无DDR5产品的相关研发计划,将聚焦既定赛道深耕。LPDDR系列内存作为移动终端、物联网设备的核心存储部件,市场需求持续旺盛。兆易创新此次明确LPDDR4X量产

芯城品牌采购网

6490

瑞芯微推出DDR短缺应对方案,保障量产-芯城品牌采购网

近一年来,DDR颗粒短缺已成为电子产业的“共性难题”,直接引发终端产品涨价、研发成本攀升,更导致项目进度延误,消费类产品受冲击尤为明显。在此背景下,深耕智能终端领域的瑞芯微,正通过技术升级与资源开放,为合作伙伴破解困局。瑞芯微旗下RK3588、RK3576、RK3568等主流SOC平台,广泛覆盖各类智能终端场景,且均具备多类型DDR支持能力——在缺货潮中,多一种DDR适配方案,就意味着多一份量产保

芯城品牌采购网

13183

国产存储重大突破!长鑫存储发布LPDDR5X-芯城品牌采购网

在近期举行的行业会议上,长鑫存储副总裁李红文透露,公司已正式推出LPDDR5X系列内存产品,同时一款厚度仅0.58mm的LPDDR5X正处于研发中,若成功量产将成为业内最薄的同类产品。此次发布的LPDDR5X系列覆盖多元需求,提供12GB、16GB、24GB、32GB等多种容量封装方案,速率涵盖8533Mbps、9600Mbps至10677Mbps多个档位。作为当前旗舰级移动设备的核心内存,LPD

芯城品牌采购网

15882

DDR5内存涨势不止,2026年利润将反超HBM3e-芯城品牌采购网

10月30日,市场研究机构TrendForce发布最新报告,指出受全球云服务商(CSP)数据中心扩容驱动,服务器DRAM市场迎来涨价潮,DDR5内存价格持续攀升,预计2026年第一季度起盈利能力将首次超越HBM3e,改写内存市场利润格局。第四季度服务器DRAM合约价涨势强劲,供应商因订单激增上调报价意愿强烈。TrendForce已将传统DRAM价格增长预期从8%-13%大幅上修至18%-23%,且

芯城品牌采购网

16725

随着内存短缺问题日益严峻,业内消息显示,三星电子率先于10月份暂停了DDR5DRAM合约定价,其他厂商随后纷纷跟进。此次暂停预计将导致合约价格公布延迟至11月中旬,进一步加剧市场供应紧张局面。同时,DRAM现货价格大幅上涨,DDR5自上月底以来价格已翻倍,采购成本显著上升。业内分析指出,尽管市场普遍预期三星将在2025年第四季度提高内存合约价格,但三星意外未在10月底前提供合约报价,下游客户因此面

芯城品牌采购网

11081

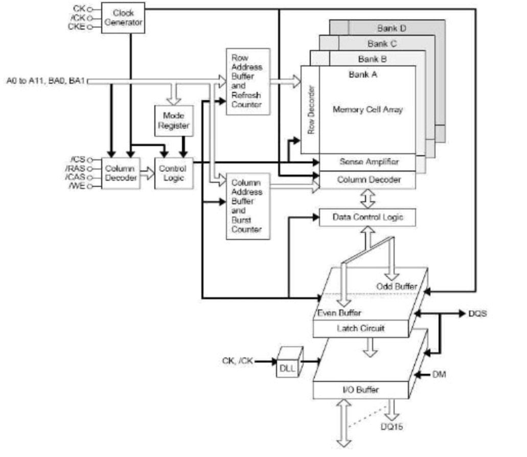
DDRSDRAM-芯城品牌采购网

DDRSDRAM简介DDR内存是更先进的SDRAMSDRAM只在时钟周期的上升沿传输指令、地址和数据。而DDR内存的数据线有特殊的电路,可以让它在时钟的上、下沿都传输数据。所以DDR在每个时钟周期可以传输两个数据,而SDRAM只能传输一个数据。举例来说,DDR266能提供266MHz×2×4B=2.1GB/s的内存带宽。另外,由于它是基于SDRAM的设计制造技术,因此厂房、流水线等设备的更新成本

芯城品牌采购网

11879

DDR存储器工作原理SDRAM在一个时钟周期内只传输一次数据,它是在时钟的上升期进行数据传输;而DDR内存则是一个时钟周期内传输两次数据,它能够在时钟的上升期和下降期各传输一次数据,因此称为双倍速率同步动态随机存储器DDR内存可以在与SDRAM相同的总线频率下达到更高的数据传输率。DDR存储器内存频率DDR内存频率是DDR内存频率是指内存模块从内存控制器接收和发送数据的速率,常见的DDR内存频率

芯城品牌采购网

13803

DDR-芯城品牌采购网

DDRSDRAM的简介DDR内存是更先进的SDRAM。SDRAM只在时钟周期的上升沿传输指令、地址和数据。而DDR内存的数据线有特殊的电路,可以让它在时钟的上、下沿都传输数据。所以DDR在每个时钟周期可以传输两个数据,而SDRAM只能传输一个数据。举例来说,DDR266能提供266MHz×2×4B=2.1GB/s的内存带宽。另外,由于它是基于SDRAM的设计制造技术,因此厂房、流水线等设备的更新成

芯城品牌采购网

8824

朗科旗舰级内存ZRGBDDR5再添新规格,频率高达8000MHz,即将量产上市!-芯城品牌采购网

随着Intel和AMD对DDR5的全面支持,以及新平台兼容性的优化提升,市面上DDR5产品如雨后春笋般涌现,更高的频率、更强的性能也开始成为各大厂商角力的焦点。此前,朗科发布了旗舰款Z系列DDR5内存,经过研发团队对DDR5潜力不断地挖掘,在6200MHz的基础上迎来更新,推出了高达8000MHz的规格频率,将于明年初正式上市。除了DDR5-8000MHz频率外,朗科Z系列还新增了DDR5-760

芯城品牌采购网

9714

12月12日,美光宣布其LPDDR5X移动内存正持续受到市场青睐,并已正式搭载于小米最新款旗舰智能手机Xiaomi13。Xiaomi13是全球首批采用LPDDR5X的智能手机之一,其峰值速率高达每秒8.533Gb。美光最新版本LPDDR5X专为高端和旗舰智能手机设计,峰值速率比上一代LPDDR5提升33%。与去年秋季所实现的每秒7.5Gb速率相比,该款满血版LPDDR5X速率进一步提升,为需要高性

芯城品牌采购网

10148

芝奇DDR5-80002x16GB极速内存套装已上市开卖-芯城品牌采购网

2022年12月1日–世界知名超频内存及高端电竞设备领导品牌,芝奇国际荣幸宣布,已成功将日前展示的超高速DDR5-8000超频内存套装导入市售规格,并已陆续出货至全球各大经销商并完成上架,率先将DDR5市售规格带入8000MT/s的全新里程碑,此次上市推出的DDR5-8000CL38-48-48-1282x16GB极速规格套装,皆由严选的DDR5IC颗粒打造,并将加入芝奇TridentZ5RGB幻

芯城品牌采购网

9991

近日,封测龙头长电科技宣布,高性能动态随机存储DDR5芯片成品实现稳定量产。随着5G高速网络、云端服务器、智能汽车等领域对存储系统性能的要求不断提升,DDR5芯片在服务器、数据中心等领域加速渗透。相比前代产品,DDR5因其速度更快、能耗更低、带宽更高、容量更大等优势,给用户带来更佳的可靠性和扩展性,市场前景广阔。反映到芯片成品制造环节,包括DDR5在内的存储芯片效能不断提升,对芯片封装提出更高集成

芯城品牌采购网

10196

11月11日,SK海力士宣布,其DRAM和CXL解决方案已通过第4代AMDEPYC(霄龙)9004系列处理器的验证。第4代AMDEPYC处理器基于全新的SP5插槽构建,提供创新的技术和功能,包括支持高级DDR5和CXL1.1+内存扩展。SK海力士1ynm、1anm16GbDDR5和1anm24GbDDR5DRAM在第4代AMDEPYC处理器上支持4800Mbps频率,内存带宽比DDR4产品增加高达

芯城品牌采购网

10605

12月12日,美光宣布其LPDDR5X移动内存正持续受到市场青睐,并已正式搭载于小米最新款旗舰智能手机Xiaomi13。Xiaomi13是全球首批采用LPDDR5X的智能手机之一,其峰值速率高达每秒8.533Gb。美光最新版本LPDDR5X专为高端和旗舰智能手机设计,峰值速率比上一代LPDDR5提升33%。与去年秋季所实现的每秒7.5Gb速率相比,该款满血版LPDDR5X速率进一步提升,为需要高性

芯城品牌采购网

11617

美光LPDDR5内存获得ISO26262安全标准ASIL-D等级认证-芯城品牌采购网

随着自动驾驶汽车愈发迅猛的发展驱势,人们对汽车的功能安全也更加关注。由于许多新兴高级驾驶辅助系统(ADAS)平台的组件与系统非常复杂,与数据中心相比有过之而无不及,因此确保汽车的硬件系统符合各项安全风险防控标准至关重要。事实上,当前许多L2和L3级别的自动驾驶汽车都使用了数据中心组件与系统级芯片(SoC),如专用视觉处理器、GPU与高性能内存等。ISO26262标准半导体分类ISO26262标准旨

芯城品牌采购网

11422

11月15日,美光宣布LPDDR5X移动存储器已获得高通最新旗舰智能手机移动平台Snapdragon®8Gen2验证,并已集成到Snapdragon8Gen2参考设计中。美光最新LPDDR5X专为高端和旗舰智能手机打造,峰值速度8.533Gbps,比上一代LPDDR5提高33%。美光LPDDR5X已开始量产,并在全球范围内出货。

芯城品牌采购网

11287

当地时间11月10日,美光宣布推出适用于数据中心的DDR5存储器,该存储器已针对新的AMDEPYC™9004系列处理器进行了验证。随着现代服务器将更多处理内核装入CPU,每个CPU内核的存储器带宽一直在下降。与前几代相比,美光DDR5提供了更高的带宽,从而缓解了这一瓶颈,提高了可靠性和可扩展性。据介绍,美光将配备其DDR5的单个第4代AMDEPYC处理器系统的STREAM基准性能与3200MT/秒

芯城品牌采购网

11308